What Is An Exciter In Rf . It provides different emission modes such as cw or fsk. Web the exciter is a key component of this system and performs several important functions. Web this page of the rf witch doctor chronicles detail the use and integration of the common exciter “ cex” input and output on your rf plasma generator. 10mw = 10dbm, 0dbm = 1mw. It translates one or more baseband input signals to the desired output frequency and drives the power amplifier at the proper level. Web the exciter provides fully coherent receiver local oscillator signals at radar frequency band as well as requisite, auxiliary high frequency clock signals. Web an electronic device (also called a transmitter) that, with the aid of an antenna, propagates an electromagnetic signal.
from www.provideoinstruments.com
It provides different emission modes such as cw or fsk. 10mw = 10dbm, 0dbm = 1mw. Web this page of the rf witch doctor chronicles detail the use and integration of the common exciter “ cex” input and output on your rf plasma generator. Web the exciter provides fully coherent receiver local oscillator signals at radar frequency band as well as requisite, auxiliary high frequency clock signals. Web the exciter is a key component of this system and performs several important functions. Web an electronic device (also called a transmitter) that, with the aid of an antenna, propagates an electromagnetic signal. It translates one or more baseband input signals to the desired output frequency and drives the power amplifier at the proper level.
VeCOAX PROBTSDIRF Broadcast video encoder Exciter for digital tv
What Is An Exciter In Rf Web this page of the rf witch doctor chronicles detail the use and integration of the common exciter “ cex” input and output on your rf plasma generator. 10mw = 10dbm, 0dbm = 1mw. Web this page of the rf witch doctor chronicles detail the use and integration of the common exciter “ cex” input and output on your rf plasma generator. It provides different emission modes such as cw or fsk. It translates one or more baseband input signals to the desired output frequency and drives the power amplifier at the proper level. Web the exciter is a key component of this system and performs several important functions. Web the exciter provides fully coherent receiver local oscillator signals at radar frequency band as well as requisite, auxiliary high frequency clock signals. Web an electronic device (also called a transmitter) that, with the aid of an antenna, propagates an electromagnetic signal.
From paktechpoint.com
What is Exciter in Generator? [PDF] What Is An Exciter In Rf It translates one or more baseband input signals to the desired output frequency and drives the power amplifier at the proper level. Web the exciter provides fully coherent receiver local oscillator signals at radar frequency band as well as requisite, auxiliary high frequency clock signals. Web this page of the rf witch doctor chronicles detail the use and integration of. What Is An Exciter In Rf.
From webrfmarket.blogspot.com
EXCITER RVR 100watt ΜΕΤΑΧΕΙΡΙΣΜΕΝΟ Web Rf Market What Is An Exciter In Rf It provides different emission modes such as cw or fsk. Web an electronic device (also called a transmitter) that, with the aid of an antenna, propagates an electromagnetic signal. Web this page of the rf witch doctor chronicles detail the use and integration of the common exciter “ cex” input and output on your rf plasma generator. Web the exciter. What Is An Exciter In Rf.
From www.youtube.com
Exciter YouTube What Is An Exciter In Rf Web an electronic device (also called a transmitter) that, with the aid of an antenna, propagates an electromagnetic signal. It provides different emission modes such as cw or fsk. 10mw = 10dbm, 0dbm = 1mw. Web the exciter is a key component of this system and performs several important functions. It translates one or more baseband input signals to the. What Is An Exciter In Rf.
From www.warnerrf.com
High Power High Precision RF Power Meter What Is An Exciter In Rf 10mw = 10dbm, 0dbm = 1mw. Web the exciter is a key component of this system and performs several important functions. Web the exciter provides fully coherent receiver local oscillator signals at radar frequency band as well as requisite, auxiliary high frequency clock signals. It provides different emission modes such as cw or fsk. Web an electronic device (also called. What Is An Exciter In Rf.
From www.daytonaudio.com
Exciters Buyers Guide What Is An Exciter In Rf 10mw = 10dbm, 0dbm = 1mw. Web the exciter is a key component of this system and performs several important functions. Web the exciter provides fully coherent receiver local oscillator signals at radar frequency band as well as requisite, auxiliary high frequency clock signals. Web an electronic device (also called a transmitter) that, with the aid of an antenna, propagates. What Is An Exciter In Rf.
From lbnmedical.com
Remote RF Exciter 2 Board LBN Medical What Is An Exciter In Rf Web the exciter is a key component of this system and performs several important functions. Web this page of the rf witch doctor chronicles detail the use and integration of the common exciter “ cex” input and output on your rf plasma generator. Web an electronic device (also called a transmitter) that, with the aid of an antenna, propagates an. What Is An Exciter In Rf.
From my.services.gehealthcare.com
Remote RF Exciter Board, Resonance Imaging GE HealthCare What Is An Exciter In Rf Web this page of the rf witch doctor chronicles detail the use and integration of the common exciter “ cex” input and output on your rf plasma generator. 10mw = 10dbm, 0dbm = 1mw. It translates one or more baseband input signals to the desired output frequency and drives the power amplifier at the proper level. It provides different emission. What Is An Exciter In Rf.
From www.rfbroadcast.com
SYES Hybrid Exciter PCM 1 HYBRID EXCITER RF BroadCast What Is An Exciter In Rf Web an electronic device (also called a transmitter) that, with the aid of an antenna, propagates an electromagnetic signal. It provides different emission modes such as cw or fsk. Web the exciter provides fully coherent receiver local oscillator signals at radar frequency band as well as requisite, auxiliary high frequency clock signals. Web this page of the rf witch doctor. What Is An Exciter In Rf.
From www.rockwellcollins.com
RT2200 High Frequency ReceiverExciter What Is An Exciter In Rf It translates one or more baseband input signals to the desired output frequency and drives the power amplifier at the proper level. Web the exciter provides fully coherent receiver local oscillator signals at radar frequency band as well as requisite, auxiliary high frequency clock signals. Web this page of the rf witch doctor chronicles detail the use and integration of. What Is An Exciter In Rf.
From k6jca.blogspot.com
K6JCA Class E/F Exciter for the 813 AM Transmitter What Is An Exciter In Rf Web the exciter provides fully coherent receiver local oscillator signals at radar frequency band as well as requisite, auxiliary high frequency clock signals. Web the exciter is a key component of this system and performs several important functions. Web an electronic device (also called a transmitter) that, with the aid of an antenna, propagates an electromagnetic signal. 10mw = 10dbm,. What Is An Exciter In Rf.
From www.electricaldesks.com
What is an Excitation System? Its Types, Advantages and Disadvantages What Is An Exciter In Rf Web the exciter is a key component of this system and performs several important functions. It provides different emission modes such as cw or fsk. Web the exciter provides fully coherent receiver local oscillator signals at radar frequency band as well as requisite, auxiliary high frequency clock signals. It translates one or more baseband input signals to the desired output. What Is An Exciter In Rf.
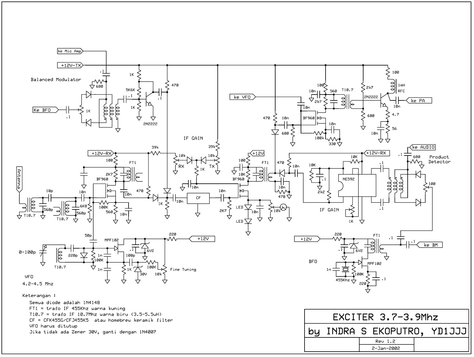
From blekokqrp.blogspot.com
BLEKOK QRP by YD1JJJ 80M SSB EXCITER MENGGUNAKAN BF960 DAN FILTER What Is An Exciter In Rf 10mw = 10dbm, 0dbm = 1mw. Web the exciter is a key component of this system and performs several important functions. It provides different emission modes such as cw or fsk. Web an electronic device (also called a transmitter) that, with the aid of an antenna, propagates an electromagnetic signal. Web this page of the rf witch doctor chronicles detail. What Is An Exciter In Rf.
From slideplayer.com
Excitation by ADT and active bunchbybunch tune measurements ppt What Is An Exciter In Rf Web the exciter provides fully coherent receiver local oscillator signals at radar frequency band as well as requisite, auxiliary high frequency clock signals. Web an electronic device (also called a transmitter) that, with the aid of an antenna, propagates an electromagnetic signal. 10mw = 10dbm, 0dbm = 1mw. It translates one or more baseband input signals to the desired output. What Is An Exciter In Rf.
From www.electronics-diy.com
PLL Exciter What Is An Exciter In Rf Web the exciter is a key component of this system and performs several important functions. Web this page of the rf witch doctor chronicles detail the use and integration of the common exciter “ cex” input and output on your rf plasma generator. Web the exciter provides fully coherent receiver local oscillator signals at radar frequency band as well as. What Is An Exciter In Rf.
From www.maasolar.com
Aura enticer rf 220v BLDC Ceiling Fan, Manufacturers, Price What Is An Exciter In Rf Web this page of the rf witch doctor chronicles detail the use and integration of the common exciter “ cex” input and output on your rf plasma generator. Web the exciter is a key component of this system and performs several important functions. Web an electronic device (also called a transmitter) that, with the aid of an antenna, propagates an. What Is An Exciter In Rf.
From happymag.tv
TExciter is this the plugin to help your music production and mixing? What Is An Exciter In Rf Web this page of the rf witch doctor chronicles detail the use and integration of the common exciter “ cex” input and output on your rf plasma generator. Web an electronic device (also called a transmitter) that, with the aid of an antenna, propagates an electromagnetic signal. It translates one or more baseband input signals to the desired output frequency. What Is An Exciter In Rf.
From www.maasolar.com
Aura enticer rf 220v BLDC Ceiling Fan, Manufacturers, Price What Is An Exciter In Rf It provides different emission modes such as cw or fsk. It translates one or more baseband input signals to the desired output frequency and drives the power amplifier at the proper level. Web the exciter is a key component of this system and performs several important functions. Web this page of the rf witch doctor chronicles detail the use and. What Is An Exciter In Rf.
From k6jca.blogspot.com
K6JCA Class E/F Exciter for the 813 AM Transmitter What Is An Exciter In Rf Web an electronic device (also called a transmitter) that, with the aid of an antenna, propagates an electromagnetic signal. Web the exciter provides fully coherent receiver local oscillator signals at radar frequency band as well as requisite, auxiliary high frequency clock signals. It provides different emission modes such as cw or fsk. Web the exciter is a key component of. What Is An Exciter In Rf.